DN15-50mm, threads end
Multi-jet
Single-jet
Rotary Piston
Bypass
DN50-500, Flanged end
Accessories
 
Rotary Piston
 
PD97TRP-15~25E/G (8 digits, 5+3)
 

APPLICATION: MEASURING THE TOTAL VOLUME OF COLD POTABLE WATER PASSING THROUGH THE METER(ALSO SUITABLE FOR PURE WATER)
 
OPERATING CONDITION:
*THE MIN.ADMISSIBLE WATER PRESSURE 1.6MPa
*RESISTING WATER TERPERATURE OF 50℃
 
SPECIALITY:
* LOW START-UP FLOW-RATE
* INSTALLATION IN ANY POSITION (SUCH AS LEVEL, VERTICAL)
* POSITIVE ROTATING PISTON TYPE, WITH RELIABLE PERFORMANCE               
* HIGH ACCURACY
* BRASS BODY
* ON REQUEST,THIS SERIES CAN BE EQUIPPED WITH THE PULSE DEVICE
Maximum permissible error:
Between qt (included) and qs is ±2%;
Between qmin and qt (excluded) is ±5%.
 
NOTE: The technical data conform to ISO4064 standard, class C.
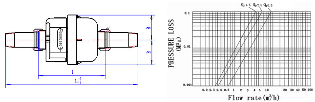
FLOW-ERROR CURVE


SPECIFICATION AND OVERAL DIMENSIONS

Description

Unit

Hydraulic data and dimensions

Nominal size

mm

DN15

DN20

DN25

inch

1/2

3/4

1

Overload flow-rate (qs)

m3/h

3

5

7

Permanent flow-rate (qp)

m3/h

1.5

2.5

3.5

Transitional flow-rate (qt)

l/h

22.5

37.5

52.5

Minimum flow-rate (qmin)

l/h

15

25

35

Min. reading

l

0.1

0.1

0.1

Max. reading

m3

99999.999

99999.999

99999.999

Nominal pressure

MPa

1.6

1.6

1.6

ΔP at the qs

MPa

≤0.1

≤0.1

≤0.1

L

mm

195

267

319

I

mm

115

165

199

B

mm

43

43

53

Weight

With connections

Kg

1.14

1.56

2.48

Without connections

0.97

1.3

2.05


OVERALL DIMENSIONS                                                                             PRESSURE LOSS CURVE

 

  All rights reserved: Lianyungang Lianli Water Meter Co.,Ltd. Tel: 0086-518-82341113 Fax: 0086-518-82340789
Add: Lianyungang economic and technological development zone, jiangsu, china
P.C: 222047 E-mail : lianli@lianliwm.com Support: Sooba.cn