歡迎光臨~連云港連利福思特水表有限公司官方網站            English
服務熱線服務熱線:

0518-82344888

您的位置:網站首頁 產品中心 . 小口徑機械水表系列

小口徑機械水表系列

多流束旋翼濕式冷水表LXS-15E~50E

本系列水表是用于測量流經自來水管道水的體積總量的儀表。
☆ 量程大,精度高。
☆ 性能穩(wěn)定。
☆ 采用優(yōu)質耐蝕材料,使用壽命長。
☆ 傳動性能穩(wěn)定可靠。
☆ 壓力損失小。
☆ 讀數直觀。
工作條件:
☆ 水壓:不大于1.0MPa(10bar)
☆ 水溫:0.1℃~50℃
示值誤差:
從分界流量(包括分界流量)到過載流量為±2%;
從最小流量到分界流量(不包括分界流量)為±5%.
※根據訂貨要求,可提供該型的冷、熱和銅殼表。

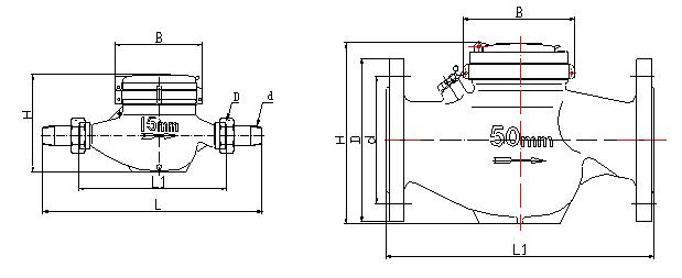
參數尺寸 SPECIFICATION AND OVERALL DIMENSIONS


外形尺寸 OVERALL DIMENSIONS


                     壓力損失曲線 Pressure loss curve                                               示值誤差限與流量曲線FLOW-ERROR CURVE 


上一條下一條
掃描二維碼關注我們關閉
二維碼